Общие вопросы по домофонам BAS-IP
Можно ли подключить IP-домофон BAS-IP к существующей аналоговой многоквартирной координатно-матричной системе?
Так как BAS-IP — это цифровая система, работающая по своему собственному протоколу, то подключение к аналоговой системе возможно только при помощи специального адаптера BAS-IP VIZIT.
Похожие вопросы
-
Как настроить панель AV-04AFD для работы в соответствии с требованиями МЧС РФ?
Панель AV-04AFD имеет функцию экстренного соединения с МЧС РФ. После зажатия кнопки быстрого вызова на несколько секунд, с панели будет произведен SIP-вызов на номер службы спасения. После соединения с диспетчером МЧС замкнется реле панели и включится сигнальная лампа, которая будет обозначать спасателям место укрытия людей.
Лампа может быть выключена при размыкании контактов двери при их открытии бригадой МЧС или автоматически через указанный в настройках период времени.
Для настройки данной функции, прежде всего вам нужно установить на устройство прошивку с данной опцией:
- Скачайте необходимую прошивку (функция доступна в версии 3.2.0 и выше).
- Скачайте, установите и откройте Remote Upgrade Tool.
- Найдите IP адрес вашей панели и выберите его.

- Нажмите Select и выберите файл скачанной прошивки.
- Кликните Auto Reboot для автоматической перезагрузки устройства.

- Нажмите Upgrade и подождите до конца процесса (в графе Status будет показано Success).

- Панель перезагрузится несколько раз и будет готова к работе.
Далее необходимо включить функцию SIP-звонков и указать необходимые данные:
- Войдите в веб-интерфейс вызывной панели. По умолчанию, логин — admin, а пароль — 123456.
- Откройте вкладку «Вызывная панель».
- В разделе «Настройки SIP» включите функцию и укажите:
- Прокси SIP-сервера. На этот адрес устройство будет отправлять запросы регистрации. Перед адресом прокси обязательно нужно указывать «sip:».
- Адрес SIP-сервера. Поле используется для передачи домена в запросе аутентификации. Может быть указан как IP-адресом, так и доменным именем.
- STUN IP сервера (например, stun.l.google.com).
- STUN порт сервера. Для STUN сервера Google используется порт 19302.
- Логин, SIP номер (например, 26).
- Пароль от SIP номера.
- Интервал перерегистрации на сервере.

- Сохраните указанную информацию. Как результат правильного SIP-подключения в верхней строке web-интерфейса отобразится статус SIP.

После включения функции SIP — переходите к настройке функции вызова на номер МЧС:
- Войдите в веб-интерфейс вызывной панели. По умолчанию, логин — admin, а пароль — 123456.
- Откройте вкладку СКУД и найдите раздел Дополнительные настройки.
- В строке Функция нажатия кнопки выберите Служба спасения.

- Укажите номер, по которому будет осуществлен вызов в МЧС. SIP-номер необходимо указывать в формате: sip: номер@ip устройства или адрес сервера. Например, sip:23984@ru.sip.bas-ip.com.
- Установите таймер автоматического отключения сигнальной лампы в диапазоне 0–3600 минут. Также бригада МЧС по приезду может отключить лампу подключенной к контактам датчика двери кнопкой.

- Сохраните настройки.
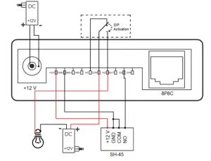
Схема подключения кнопки и лампы к панели:

-
Есть ли поддержка SIP протокола в последних версиях вызывных панелей?
Вся линейка третьей версии поддерживает SIP 2.0.
-
Как подключить модули домашней автоматики для программирования?
Оконечный модуль управления домашней автоматикой необходимо подключить к компьютеру через конвертер USB-RS485. После чего запрограммировать режимы его работы при помощи бесплатного ПО, которое идет в комплекте поставки.
-
У вызывной панели AV-01MFD можно ли расширить количество управляемых реле?
Да, подключив модуль управления двумя замками BAS-IP SH-42.
-
Чем обеспечивается защита домофонной системы от злоумышленников?
Помимо возможности задания сложных паролей для доступа в web-интерфейс, у вызывных панелей BAS-IP есть встроенная программная защита, а все базы данных зашифрованы.







